71F 系列
YDS
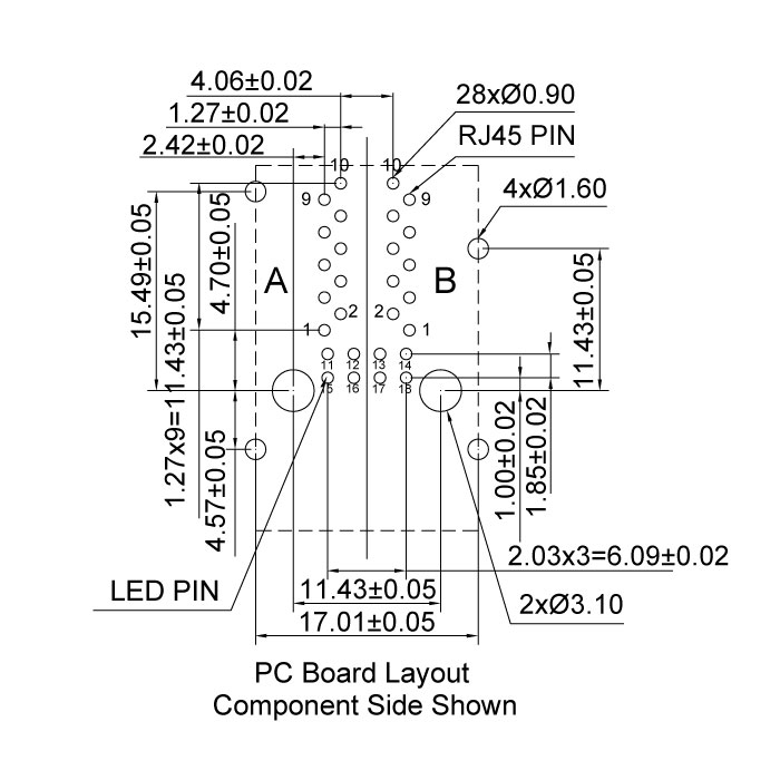
2X1 RJ45內部帶磁性。
適用於CAT 5 和 6 快速以太網電纜或更好的UTP。
內部磁性對HI-POT和功能進行100%電氣測試。
350uH最小OCL,8mA偏置電流。
通過UL 60950-1安規認證。
| Part Number | Turns Ratio | Insertion Loss (dB MAX) | Return Loss (dB MIN) 100Ω ±15Ω | Crosstalk (dB TYP) | Common Mode Rejection (dB TYP) | Hipot (Vrms) | |||
|---|---|---|---|---|---|---|---|---|---|
| TX | RX | 1-80 MHz | 100 MHz | 1-60 MHz | 60-100 MHz | 1-100 MHz | 1-100 MHz | @60Hz | |
| 71F-1210GYD2NL | 1CT: 1CT | 1CT: 1CT | -1.0 | -1.2 | -16 | -12 | -35 | -30 | 1500 |
| 71F-1327YGD2NL | 1CT: 1CT | 1CT: 1CT | - | -1.0 | -18 | -10 | -30 | -30 | 1500 |


Files Download
71F-Series.pdf

2X1 RJ45內部帶磁性。
適用於CAT 5 和 6 快速以太網電纜或更好的UTP。
內部磁性對HI-POT和功能進行100%電氣測試。
350uH最小OCL,8mA偏置電流。
通過UL 60950-1安規認證。
| Part Number | Turns Ratio | Insertion Loss (dB MAX) | Return Loss (dB MIN) 100Ω ±15Ω | Crosstalk (dB TYP) | Common Mode Rejection (dB TYP) | Hipot (Vrms) | |||
|---|---|---|---|---|---|---|---|---|---|
| TX | RX | 1-80 MHz | 100 MHz | 1-60 MHz | 60-100 MHz | 1-100 MHz | 1-100 MHz | @60Hz | |
| 71F-1210GYD2NL | 1CT: 1CT | 1CT: 1CT | -1.0 | -1.2 | -16 | -12 | -35 | -30 | 1500 |
| 71F-1327YGD2NL | 1CT: 1CT | 1CT: 1CT | - | -1.0 | -18 | -10 | -30 | -30 | 1500 |


Files Download
71F-Series.pdf
