20T/21T/22T/23T 系列
YDS
低漏電感和耦合電容可以加快上升時間。
50mil 極小引線間距更快速。
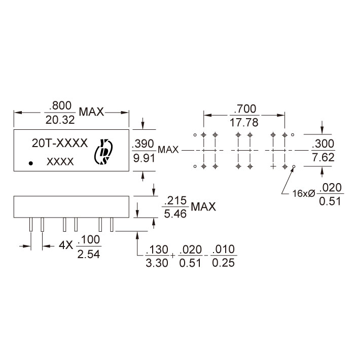
通孔型,自動導入,表面貼裝,16PIN包裝 。
| Part Number | Tums Ratio (±5%) | Primary Pins | Primary Sine Wave OCL(uH) (+/- 20%) | Primary ET-Constant (V-us Min) | Rise Time | Interwinding Capacitance CWW' (pF Max) | Leakage Inductance LL’ (µH Max) | PRI.DCR (ΩMax) | Shem. | Hipot (Vrms) |
|---|---|---|---|---|---|---|---|---|---|---|
| 23T-4001A2NL | 1:1 | 1-2/4-5/ 7-8 | 40(min) | 2.1 | 3.0 | 8 | 0.20 | 0.25 | A | 2000 |
| 20T-7501A2NL | 1:1 | 1-2/4-5/ 7-8 | 75 | 2.4 | 3.5 | 10 | 0.25 | 0.30 | A | 2000 |
| 22T-1011ANL | 1:1 | 1-2/4-5/ 7-8 | 100 | 2.1 | 3.0 | 10 | 0.20 | 0.30 | A | 500 |



Files Download
20T-21T-22T-23T-Series.pdf

低漏電感和耦合電容可以加快上升時間。
50mil 極小引線間距更快速。
通孔型,自動導入,表面貼裝,16PIN包裝 。
| Part Number | Tums Ratio (±5%) | Primary Pins | Primary Sine Wave OCL(uH) (+/- 20%) | Primary ET-Constant (V-us Min) | Rise Time | Interwinding Capacitance CWW' (pF Max) | Leakage Inductance LL’ (µH Max) | PRI.DCR (ΩMax) | Shem. | Hipot (Vrms) |
|---|---|---|---|---|---|---|---|---|---|---|
| 23T-4001A2NL | 1:1 | 1-2/4-5/ 7-8 | 40(min) | 2.1 | 3.0 | 8 | 0.20 | 0.25 | A | 2000 |
| 20T-7501A2NL | 1:1 | 1-2/4-5/ 7-8 | 75 | 2.4 | 3.5 | 10 | 0.25 | 0.30 | A | 2000 |
| 22T-1011ANL | 1:1 | 1-2/4-5/ 7-8 | 100 | 2.1 | 3.0 | 10 | 0.20 | 0.30 | A | 500 |



Files Download
20T-21T-22T-23T-Series.pdf
