25T 系列
YDS
為滿足或超過IEEE 802.3,10Base-T規格而設計。
通過UL 60950-1 安規認證。
表面貼裝,IC等級,轉注成型包裝可承受235°C峰值溫度分布。
Electrical Specifications@25°C; Operating Temperature 0°C to 70°C
| Part Number | Tums Ratio (±5%) | Primary Pins | Sine Wave Inductance OCL’ (µH Min) | Interwinding Capacitance CWW’ (pF Max) | |
|---|---|---|---|---|---|
| Transmit | Receive | ||||
| 25T-2012C2NL | 1CT:1CT | 1CT:1CT | 1-3/6-8 | 200 | 15 |
| 25T-1411B4NL | 1:1 | 1:1 | 1-2/3-4/5-6/7-8/ | 140 | 17 |
| Part Number | Leakage Inductance LL’ (µH Max) | DCR (ΩMax) | HI-Pot (Vrms) | Schem. | mech. |
|---|---|---|---|---|---|
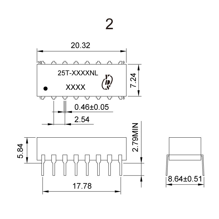
| 25T-2012C2NL | 0.3 | 0.7 | 1500 | C | 2 |
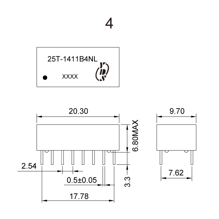
| 25T-1411B4NL | 0.6 | 0.5 | 600 | B | 4 |
Dimension


Files Download
25T-Series.pdf


為滿足或超過IEEE 802.3,10Base-T規格而設計。
通過UL 60950-1 安規認證。
表面貼裝,IC等級,轉注成型包裝可承受235°C峰值溫度分布。
Electrical Specifications@25°C; Operating Temperature 0°C to 70°C
| Part Number | Tums Ratio (±5%) | Primary Pins | Sine Wave Inductance OCL’ (µH Min) | Interwinding Capacitance CWW’ (pF Max) | |
|---|---|---|---|---|---|
| Transmit | Receive | ||||
| 25T-2012C2NL | 1CT:1CT | 1CT:1CT | 1-3/6-8 | 200 | 15 |
| 25T-1411B4NL | 1:1 | 1:1 | 1-2/3-4/5-6/7-8/ | 140 | 17 |
| Part Number | Leakage Inductance LL’ (µH Max) | DCR (ΩMax) | HI-Pot (Vrms) | Schem. | mech. |
|---|---|---|---|---|---|
| 25T-2012C2NL | 0.3 | 0.7 | 1500 | C | 2 |
| 25T-1411B4NL | 0.6 | 0.5 | 600 | B | 4 |
Dimension


Files Download
25T-Series.pdf

