15T-1 系列
YDS
回波損耗符合要求。
六/八個表面貼裝封裝的變壓器。
1500 Vrms隔離電壓。
通過UL 60950-1認證。
| Part Number | Turns Ratio (±2%) | OCL Primary (mH min.) | OCL AT -40℃(mH min.) | LL (uH max) | Cw/w (pF max) | HI POT Vrms | Package Schematic | Primary Pins |
|---|---|---|---|---|---|---|---|---|
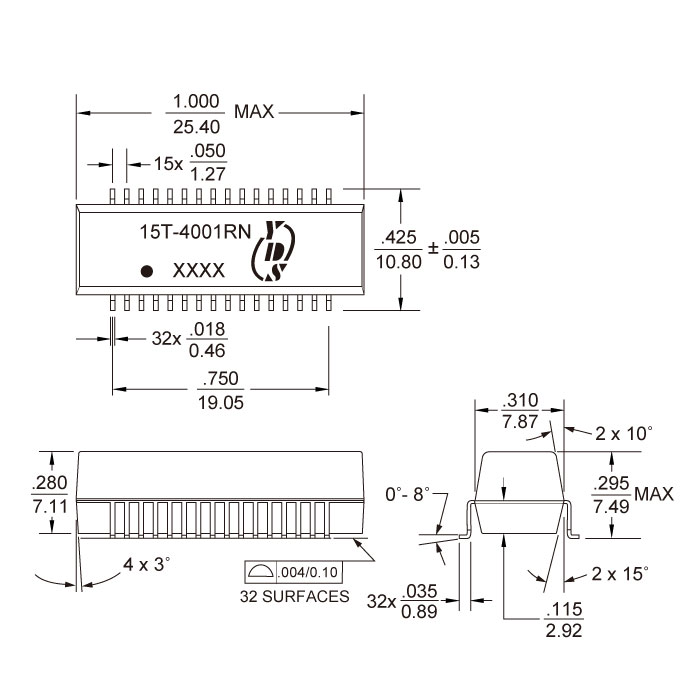
| 15T-4001RNNL | 1:1 | 40 | - | 0.150 | 10 | 1500 | R/N | 1-2,3-4,5-6, 7-8,9-10,11-12, 13-14,15-16 |
| Part Number | Turns Ratio (±2%) | OCL Primary (mH min.) | OCL AT -40℃(mH min.) | LL (uH max) | Cw/w (pF max) | HI POT Vrms | Package Schematic | Primary Pins |
|---|---|---|---|---|---|---|---|---|
| 15T-4003XSCNL | 1:2CT & 1:1 | 40 | - | 0.12 | 10 | 1500 | X/S | 40-38,37-36, 35-33,32-31, 30-28,27-26, 25-23,22-21 |


Files Download
15T-1-Series.pdf


回波損耗符合要求。
六/八個表面貼裝封裝的變壓器。
1500 Vrms隔離電壓。
通過UL 60950-1認證。
| Part Number | Turns Ratio (±2%) | OCL Primary (mH min.) | OCL AT -40℃(mH min.) | LL (uH max) | Cw/w (pF max) | HI POT Vrms | Package Schematic | Primary Pins |
|---|---|---|---|---|---|---|---|---|
| 15T-4001RNNL | 1:1 | 40 | - | 0.150 | 10 | 1500 | R/N | 1-2,3-4,5-6, 7-8,9-10,11-12, 13-14,15-16 |
| Part Number | Turns Ratio (±2%) | OCL Primary (mH min.) | OCL AT -40℃(mH min.) | LL (uH max) | Cw/w (pF max) | HI POT Vrms | Package Schematic | Primary Pins |
|---|---|---|---|---|---|---|---|---|
| 15T-4003XSCNL | 1:2CT & 1:1 | 40 | - | 0.12 | 10 | 1500 | X/S | 40-38,37-36, 35-33,32-31, 30-28,27-26, 25-23,22-21 |


Files Download
15T-1-Series.pdf

